產品目錄歐標鋁型材_JL-6-2525E_上海工業鋁型材廠家
立即咨詢

應用說明

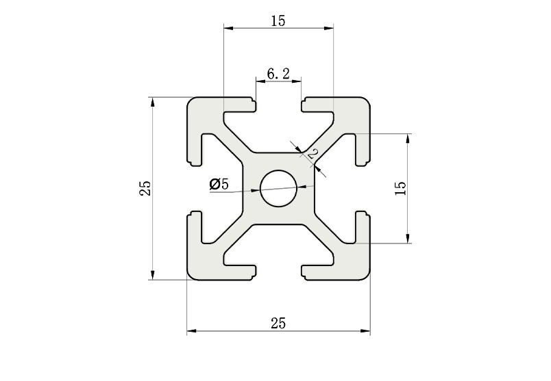
JL-6-2525E,6mm 槽寬工業鋁型材系列

適用于應力及強度較大的框架組合結構,他的外形采用圓角過渡,表面經過陽極氧化處理,高雅美觀并抗腐蝕,他通常采用M6X16高強度專業螺栓加彈性扣件的內部連接方式,堅固可靠,是工業鋁型材框架應用較為廣泛的型材之一。


規格參數

材 料 鋁 Aluminium (6063-T5)
單位質量 0.95kg/m
長 度 6.02m
集合慣性 Ix:0.8cm4 ly:0.8cm4
截面慣性 Zx:0.8cm3 Zy:0.8cm3
訂 貨 號 JL-6-2525E

相關產品

se.com