應用說明

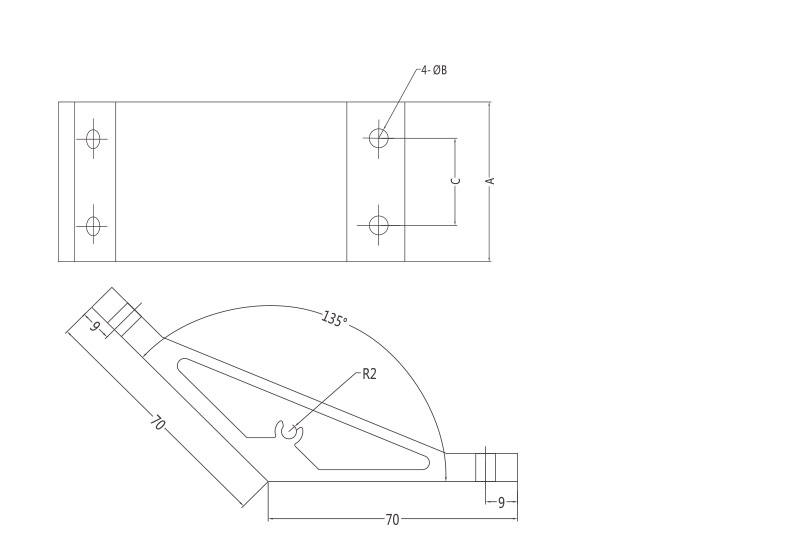
135度支架

135度支架是從擠壓型材上截取料段,經鉆孔加工而成。表面銀白陽極氧化(端面未氧化),連接強度高。靈活性和通用性能好,安裝簡單方便。主要用于型材的135度連接。


規格參數


相關產品

se.com